Best Template DB
Chrysler New Yorker Fuse Box
2000 honda accord fuse box diagram under hood
5 pin cobra mic wiring diagram
describing matter worksheet answers
gl1000 wiring harnes
english teaching certificate
1953 chevrolet pickup wiring diagram
free sample bill of sale for rv
avery 5126 word template
The Dash Lights Went Out Then The Door Locks The Ones That
Details About 1990 1993 Chrysler New Yorker Fifth Avenue Dashboard Fuse Box Cover Black 22568
91 New Yorker Fuse Box Wiring Diagram
Wrg 3813 Chrysler New Yorker Fuse Box
91 New Yorker Fuse Box Wiring Diagram G11
91 New Yorker Fuse Box Wiring Diagram
Fuse Box Diagram 1995 New Yorker Fixya
The Dash Lights Went Out Then The Door Locks The Ones That
91 New Yorker Fuse Box Wiring Diagram
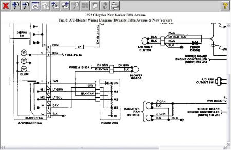
1992 Chrysler New Yorker 3 3 Fuse Box Relay Cover N570 On
1977 Chrysler New Yorker Brougham Owner S Manual
Fuse Box Diagram 1995 New Yorker Fixya
Wrg 8282 Chrysler New Yorker Fuse Box
Wrg 9165 Chrysler New Yorker Fuse Box
Chrysler New Yorker Fuse Box Wiring Diagram M6
Repair Guides
No Heater Blower 92 Newyorker 130 000miles 3 3l All Fuse
My Bother In Law Has A 1992 Chrysler New Yorker Fifthave He
Repair Guides
91 New Yorker Fuse Box Wiring Diagram
No Heater Blower 92 Newyorker 130 000miles 3 3l All Fuse
Source :
pinterest.com
Popular Posts
Wiring Diagram For 2006 Jeep Grand Cherokee
Schematic Diagram Of 2003 Chevrolet Suburban
Resume Builder Application Free Download
Sbc Vacuum Diagram
Skeletal Diagram Of A Humpback Whale
Summer Camp Website Template Free Download
Wiring Serial Jvc Diagram Radio 137x2527
Pmi Certificate Cost
Printable Wide Ruled Lined Paper Template
Sample Letter To Home Seller From Buyer
Printable 1099 Misc Form
Sample Doctor Referral Letter To Doctor Format
Murmur Server Certificate
Vw Beetle Generator To Alternator Conversion
Marriage Website Templates Free Download
Upstate Resume Writing Services
Printable Periodic Tables Of Elements
Wedding Planning Guest List Template
Slideshow Template Free
Lunch And Learn Invitation Template
Sample Letter Of Recommendation For Ms In Business Analytics
Restaurant Management Agreement Template
Sample Pilot Resume
Strong Resume Format
Simple Business Contract Between Friends Template
Solving Systems Of Equations By Substitution Worksheet Pdf Answers
Maintenance Worker General Maintenance Resume Sample
Startup Restaurant Business Plan Sample Pdf
Printable Blank Postcard Printable Postcard Template Pdf
Vertical Id Card Template Word
Retail Pharmacy Business Plan Sample Pdf
Organize My Life Printables
Lockout Tagout Template Excel
S6 Sel Engine Timing Diagram
Wiring An Led Circuit With Transistor
Nutrition Label Template Free
Templates Html5 Responsive Free
Succession Plan Template Uk
Wholesale Contract Agreement Template
Wiring Diagram Vw R32
Sample Acquisition Communication Plan
York Electric Furnace Wiring Diagram
Staff Work Schedule Template
Sample Church Budget Template
Party Planner Template Free
Printable Divorce Papers Sc
Quantitative Analyst Certification
Panda Adoption Certificate
Zenith Schematic
Sample Template Sample Swot Analysis
Vsco Stickers Printable Blue
Land Sale Proposal Sample Letter
Weekly To Do List Printable
Troy Birth Certificate
Task List Template Google Sheets