Motor Operated Valve Wiring Diagram

On this website we recommend many designs abaout motor operated valve wiring diagram that we have collected from various sites home design and of course what we recommend is the most excellent of design for motor operated valve wiring diagramif you like the design on our website please do not hesitate to visit again and get inspiration from all the.
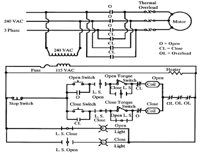
Motor operated valve wiring diagram. Standard wiring diagram 9 optional features wiring diagrams 10. 0421 e112 motor operated valves course 05 mov controls slides. Although there are many sources of power the figure 5 1 typical wiring diagram assumption is made that 240 volt alternating. Valve so the flow direction arrow on the side of the valve indicates the direction of the process flow.
They are operated by a toggle lever mounted on the front of the switch. Circuits for both torque and limit controlled valves. Describe the electrical and mechanical components. The function of the power supply is to supply the energy required to operate the valve to which the actuator is attached.
Wiring configurations for the mx and qx 28 121 mxqx terminal block 28 122 wiring diagram configurator 28 13. Motor thermal protec tion may be bypassed for critical esd applications in non hazardous or special service locations. Motor operated valve wiring diagram. Wiring diagrams m c w bulletin 600 bulletin 600 manual starting switches are designed for starting and protecting small ac and dc motors rated at 1 hp or less where undervoltage protection is not needed.
Wiring diagrams do not show the. Condition lost phase or jammed valve protection. 112 wiring 25 113 valve interface 25 114 design life and endurance 25 115 diagnostic features 26 116 factory test 26 117 conduit entries 26 118 european directives 26 12. Rotork wiring diagram selector.
Mx and qx wiring diagrams 29 14. Wiring diversification according to the customer equipment voltage is different line number is different provide different wiring mode. Fisher d4 valve with gen 2 easy drive actuator wiring diagram field wiring connections motor gearbox assy ge84238 controller power and control terminal ge47302 7 top view controller. Some of the cookies we use are essential for parts of the site to operate and have already been set.
The wiring diagram selector returns standard iq3iqt3 range wiring diagrams only. Actuator can be operated in either direction. For specials or if you cant find what you want please contact rotork.