Best Template DB
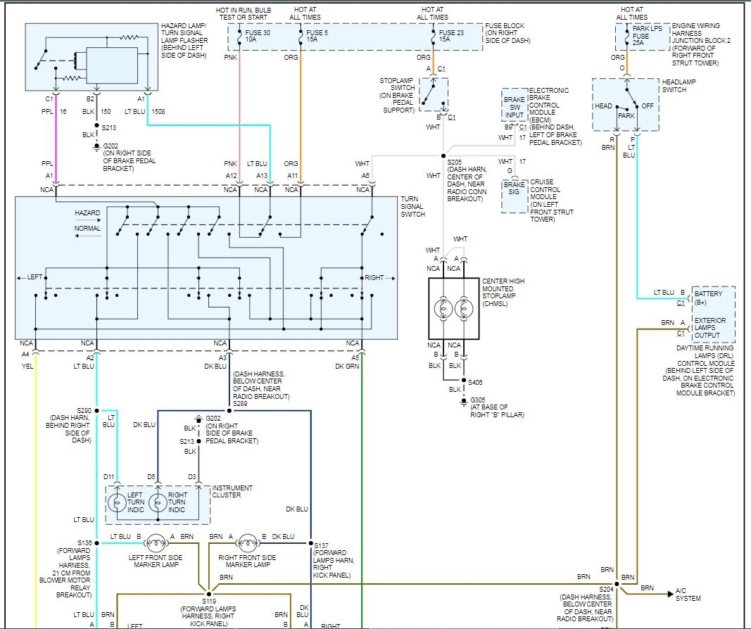
Monte Carlo Brake Switch Wiring Diagram
independent sales representative agreement template
2005 chevy silverado 1500 fuse box diagram
fuse panel diagram 1999 ford tauru exterior
3 phase surge protection device wiring diagram
2003 mazda protege engine diagram
ceremony invitation template
1974 cj5 jeep alternator wiring schematic
2001 gmc yukon fuse box
No Brake Lights Gbodyforum 78 88 General Motors A G
Brake Lights Not Working The Brake Lights Stopped Working
No Brake Lights Gbodyforum 78 88 General Motors A G
Brake Lights Not Working The Brake Lights Stopped Working
Solved Does The 1986 Chevy Monte Carlo Have A Relay For Fixya
Repair Guides
85 Monte Carlo Wiring Diagram Wiring Schematic Diagram
70 Monte Carlo 1st Gen Monte Carlo Forum Monte Carlo
Repair Guides
Wrg 9829 99 Chevy Monte Carlo Fuse Box Diagram
I Have A 1997 I Have No Brake Lights In The Tail Light
Tail Lights Out The Tail Lights And Dash Lights Are Out I
Chevy 2004 Ss Intimidator Powers Up But Engine Does Not Start
Solved Third Brake Light Wiring Diagram Fixya
Installing A Rear Brake Light Kill Switch Top Forum Picks
Wrg 1641 1987 Monte Carlo Wiring Diagram
I Have A 95 That Had A Turn Signal Switch That Was Bad Also
How To Replace Brake Light Switch 96 05 Chevy Monte Carlo
85 Monte Carlo Wiring Diagram Wiring Schematic Diagram
Headlight And Tail Light Wiring Schematic Diagram
Cobalt Ss Fuse Box Carbon Cover Wiring Diagram For A Light
Source :
pinterest.com
Popular Posts
School Authorization Letter Sample
Loft Light Wiring Diagram
Wiring Diagram For Yamaha Rx 50
Outage Notification Email Template
Printable Acls Algorithms
Mcsa 2016 Certification
Wiring Tv Above Fireplace
Subaru Impreza Fuse Box Location
Resumes That Get Jobs At Google
Medical Referral Form Template Word
Love Letter Template Word
Printable 80th Birthday Card
Printable Self Employed Profit And Loss Form
Sample Impact Analysis Document
Word Recipe Template Free Download
Wiring Diagram Fender Diagram How Would I Go
Printable Nascar Race Lineup
Printable Flip Books For Free
Shopify Newsletter Templates
Mitosis Practice Worksheet Answers
Marketing Ad Template
Moving Binder Printables Free
Petition Template Doc
Quick Check Math Worksheets
No Response Email Template
Template For Certificate Of Appreciation In Microsoft Word
Pharmaceutical Certificate Courses
Supplier Evaluation Template Excel
Us Army Certificate
Simple Invoice Template Pdf
Sample Amendment To Operating Agreement
Purchase Agreement Template For Motorcycle
Yamaha Gt50 Wiring Diagram
Vacation Tracker Excel Template 2019 Free
Wedding Guest Address List Template
Worksheet Workscom Solving Multi Step Equations Answer Key
Letter For Emotional Support Animal Template
Resume Template For Food Server
Printable Periodic Table
Sample Screenplay First Page
Princess And Superhero Party Invitation Template
Tide Printable Coupons December 2019
Printable Community Service Timesheet Template
Man Basket Certification
Lock Pick Diagram
Share Purchase Agreement Template Uk Free
Wall Light Wiring Diagram Uk
Proposal Template Pdf Free Proposal For Cleaning Services Pdf
Nha Ma Certification Verification
Project Management Transition Plan Template
Mack Truck Speedometer Wiring Schematic
Smart Jack Wiring
Sample Letter Of Disagreement Template
Weekly Rotation Schedule Template Excel
Small Business Excel Small Business Profit Loss Template