Mazda 626 Distributor Wiring Diagram

Where is 1999 mazda fuel pump locatedmy mazda 626 hiya the fuelpump is located in the fueltank and is accessible by removing the rear seat squab.
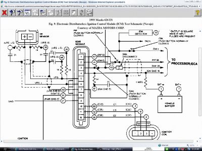
Mazda 626 distributor wiring diagram. Remark abbreviation idle speed control idle air control idle switch closed throttle position switch igniter ignition control. Automobile mazda 1982 rx 7 wiring diagram 32 pages automobile mazda 1977 rotary pickup wiring diagram. 1990 96 mazda 626mx 6mx 3 chassis schematics. Your source for mazda wire information wiring information technical help for your new or used vehicle mazda technical wiring diagrams wire information wirediagram.
626 automobile pdf manual download. Under the squab is a service panel that will have a few screws holding it down. Automobile mazda 626 mx 6 1989 wiring diagram 163 pages automobile mazda 626 1981 workshop manual 330 pages. Mazda wire information wire information wiring information wiring information color codes technical wiring diagrams.
Autozone repair guide for your chassis electrical wiring diagrams wiring diagrams. Listed below is the vehicle specific wiring diagram for your car alarm remote starter or keyless entry installation into your 1998 2002 mazda 626this information outlines the wires location color and polarity to help you identify the proper connection spots in the vehicle. 1991 mazda 626 4dr wagon wiring information. 1990 93 mazda 626mx 6 chassis schematics.
Ignition timing control inspection. Air bag supplemental restraint system. Simple follow replace spark plug distributor cap rotor mazda 626 fix it angel. We will share this website for you articles and images of wiring diagrams engine schemes engine problems engine diagrams transmission diagrams.
Remove the panel and instead of removing the pump try giving it a firm rap with a hammer handle or piece of solid wood taking care not to damage the wiring or. Mazda 626 distributor wiring diagram welcome thank you for visiting this simple website we are trying to improve this website the website is in the development stage support from you in any form really helps us we really appreciate that. Replacing the distributor cap and rotor spark plugs and wires.