Honda Crv Frame Diagram

Regardless of the cause we have the replacement body parts for the repair.
Honda crv frame diagram. The honda cr v is a compact crossover suv manufactured by honda since 1995 and introduced in the north american market in 1997. Before the production version fourth generation honda cr v 2012 2016 debuted at the 2011 los angeles auto show cr v concept was released early at the 2011 orange county international auto show in september. The cr v is hondas mid range utility vehicle slotting between the smaller honda hr v and the larger honda pilot. It uses the honda civic platform with an suv body design.
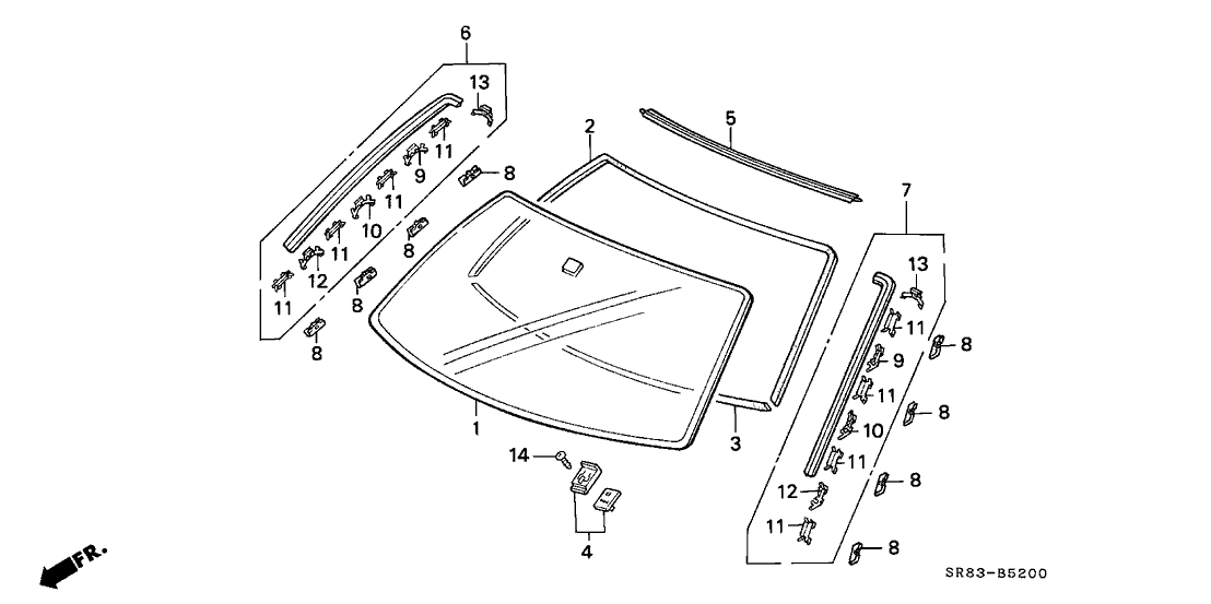
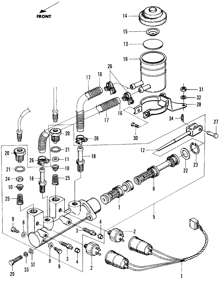
Honda cr v alternator if your honda crv alternator has begun to fail replace it with a genuine part to ensure long lasting function. Honda cr v has been manufactured through five generations and has won car and driver magazines best small suv for 2002 and 2003. A good copy of the honda crv parts diagram is probably essential. Free shipping on many items browse your favorite brands.
Of course with increased options comes an increased need to keep the honda crv parts list handy. Underneath the vechical there are 2 rear frame support bars that are rusting out. The 2005 updates included xm radio and improved stereo systems. Hello 1997 honda crv.
These are near the backend of the vechical one on each side about 18 long and 2 thick. Hilversum the netherlands kvk 60955899 vat nr. 2 new refurbished from 2182. We have the replacement parts to make it happen.
As an example of change from one year to the next the crv switched from one tail light bulb to two bulbs. Here is a picture gallery about 2003 honda crv parts diagram complete with the description of the image please find the image you need. To look and perform at its best the underlying frame and body structure of your honda cr v have to be right.