Best Template DB
Ford Max Wiring Diagram
sop sample pdf
voltmeter wiring diagram charging system in
preschool yearbook templates free
sample agreement letter for installment payment
wix page templates
lowes discount coupons printable
project management transition plan template
tractor alternator wiring diagram
Wiring Diagram Ford Cmax Wiring Diagram Go
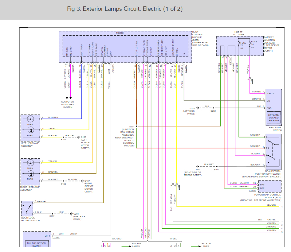
2014 Ford C Max Wiring Diagram Manual Original
C Max Hybridenergi 2013 Fuse Box Diagram Wiring Library
Ford Focus C Max 2003 Full Wiring Diagram Cz Service Manual
2013 Ford C Max Wiring Diagram Manual Original
C Max Wiring Diagram Wiring Diagram
2016 Ford C Max Hybrid Energi Electric Electrical Wiring
2014 Ford C Max Wiring Diagram Manual Original
Wrg 8538 Ford C Max Trailer Wiring Harness Diagram
Ford S Max Wiring Diagram Ford S Max Fuse Box Diagram
C Max Wiring Diagram Wiring Diagram
2016 Ford C Max Wiring Diagram Manual Original Ford Amazon
Ford S Max Wiring Diagram Ford S Max Fuse Box Diagram
C Max Wiring Diagram Visitfowey Org
Ford C Max Fuse Diagram Wiring Schematic Diagram
Wiring Diagram Diagnostics 1 2007 Ford Focus Heated Seats Inoperative
Ford Zx2 Wiring Diagram Wiring Schematic Diagram
2013 Ford C Max Hybrid Energi Electric Electrical Wiring
Ford Focus C Max 2003 Full Wiring Diagram Cz Service Manual
Ford C Max 2008 Wiring Diagrams Pdf Files Epubs
2016 Ford C Max Hybrid C Max Energi Electrical Wiring
Source :
pinterest.com
Popular Posts
Sometimes Being A Brother Is Even Better Printable
Notary Public Website Template
Small Printable Holiday Cards
Sample Invoice With Deposit Due
Telecommuting Agreement Template
Printable Play Food
Professional Resume Cost
Professional Photo Collage Samples
Subaru Legacy Wiring Harnes Diagram
Progresso Soup Coupons Printable
Printable Buttons Pins
Printable Sds Labels
Sample Of Letter Of Intent For Business Proposal
Vanagon Alternator Wiring Harnes
Wiring Diagram For Usb
Lincoln Electric Motor Wiring Diagram
Printable Baby Shower Menu
Photo Collage Maker Online With Templates
Yamaha Gt50 Wiring Diagram
Sample Appeal Letter For Secondary School Admission
Preschool Teacher Resume Examples
Wiring Kit For Street Rod
Sample Cover Letter For Grant Proposal Submission
Printable Floral Wreath Border
Printable Downloadable Free Resume Templates Word
Staples Receipt Printer Paper
Material Submittal Template Excel
Printable Character Analysis Template
Two Week Resignation Letter Template
Master Mechanic Certification
Neon Powerpoint Template Free
Wheel Of Fortune Game Template
Word Ms Background Design Blank Id Card Template Word
Studio Website Templates Free Download
Suzuki Rv 90 Wiring Diagram
Task List Template Google Sheets
Outline Template For Essay
Sample Painting Invoice Template
Toyotum Camry Fuse Box 2007
Sample Of Obituary Posters In Nigeria
Printable Clam Shell Invitation Template
Sample Medicare Enrollment Form
Official Letter Sample Formal Letter Example Pdf
Xlr Male And Female Connectors
Pmi Certification Chicago
Project Management Effort Estimation Template
Sale And Purchase Agreement Sample
Visio Fault Tree Analysis Template
Pdf Editable Printable Invoice Template
Traxxa Revo 2 5
Resume Format 2 Pages
Switch Schematic Combo Wiring Diagram
Sample Letter For Early Termination Of Commercial Lease From Tenant To Landlord
Np435 Transmission Part Diagram
Machine Quilting Templates