Chrysler Aspen Wiring Diagram

November 21st 2012 posted in chrysler aspen.
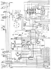
Chrysler aspen wiring diagram. First thing we need to do is go ahead and get our vehicle ready to install the wire harness. An awful switch typically shows the subsequent symptoms. Today on this 2007 chrysler aspen we are going to install part number 118390 from tow ready. 2009 chrysler aspen wiring diagram today you can eliminate the switch by removing the mounting screws as well as the wiring.
Installation instructions and lifetime expert support on all purchases of 2007 chrysler aspen trailer wiring. Automotive wiring in a 2007 chrysler aspen vehicles are becoming increasing more difficult to identify due to the installation of. Chrysler aspen service repair manual pdf 2007 2008 2009 download. Cigar lighter power outlet fuse in the chrysler aspen is the fuse f18 in the interior fuse box.
Chrysler aspen 2006 2009 fuse box diagram. Lowest price trailer wiring guarantee. All contemporary switches have an array of switching alternatives. To concentrate on the correct things you should understand what our options are.
2007 chrysler aspen stereo wiring information. Radio battery constant 12v wire. Contains information such as. 2006 2007 2008 2009.
The stereo wiring diagram listed above is provided as is without any kind of warranty. Chrysler aspen 2004 2009 the information from the owners manual of 2007 2009 is used. Engine service general information transmission suspension brakes electrical fuel system battery troubleshooting diagnostic wiring diagrams etc. Eter to be reset then push and hold the button until the.
The location and function of fuses in cars produced earlier may differ. Whether your an expert chrysler aspen mobile electronics installer chrysler aspen fanatic or a novice chrysler aspen enthusiast with a 2007 chrysler aspen a car stereo wiring diagram can save yourself a lot of time. Fuses interior the fuse block contains blade type mini fuses. Workshop repair manual help you to maintain service diagnose and repair your vehicle.