Best Template DB
2014 Cadillac At Wiring Diagram
fast healthcare certifications
business proposal sample powerpoint presentation
97 saturn sl2 fuse box
event logistics email template
ballast wiring diagram
easy butterfly wings template
1999 chrysler town and country fuse diagram free download
free online loan agreement template
Headlight Foglight Wiring Cadillac Owners Forum
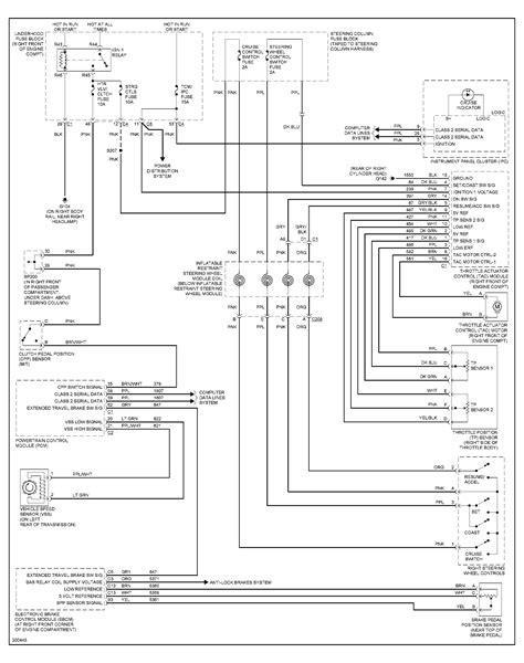
2014 Cadillac Cts V Wiring Diagram Wiring Library
Cadillac Srx Wiring Wiring Library
Cadillac Srx Wiring Wiring Library
Wiring Diagrams For Cts V Machine Learning
2003 Cadillac Wiring Diagrams Wiring Schematic Diagram
Driver S Seat Wiring Diagram Cadillac Owners Forum
Cadillac Srx Wiring Wiring Library
L8000 Wiring Diagram Schematics Online
I Am Looking For The Body Control Module Diagram
Cadillac Cts Wiring Diagrams 1998 To 2016 Youtube
2013 Cadillac Cts Wiring Diagram Wiring Schematic Diagram
Cadillac Cts 2014 2015 2016 2017 Service Repair Manual Wiring Diagram On Dvd Ebay
Wiring Material 1975 Cadillac Deville Wiring Diagrams
2004 Cadillac Escalade Starter Wiring Wiring Diagram Go
Wiring Diagrams For Cts V Machine Learning
Wiring Diagram 91 Cadillac Deville Wiring Diagram
Roger Vivi Ersaks Juni 2002
The Mystery Wiring Diagram Belongs To Mitchell 1
2012 Cts Cadillac Wire Diagram Wiring Diagrams Folder
Cadillac Xts Wiring Diagram Schematics Online
Source :
pinterest.com
Popular Posts
Customizable Calendar Template 2020 Excel
Driving Course Certificate Ontario
For Ho Train Layout Wiring Diagram
Alphabet Writing Worksheets For Kinder
2004 Gmc Envoy Slt All Wiring Diagram
Fake Rent Receipt Generator
Employee Wellness Program Template
5th Grade Sound Worksheets
Excel Template For Loan Payment
Iowa Hawkeye Template
Examples Of Confidentiality Statements
10x10 Grid Paper Printable
Fuse Box Wiring Diagram 76 Corvette
Business Card Template Psd
4 Ohm Sub Wiring
Excel Certification Exam Answers
Job Description Template Pdf Nz
It Project Proposal Sample Pdf
Air Compressor Certification
1997 Bmw 740il Engine Diagram
Camaro Wiring Diagram
Kenworth Wiring Schematic Diagram
2013 Ford Focu Se Passenger Fuse Box
Football Helmet Template
Free Templates After Effects
Input Jack Wiring
96 Ford F 350 Wiring Diagram
John Deere X740 Wiring Diagram
2006 Kium Spectra5 Fuse Box
Free Sales Plan Template
Humbucker Guitar Wiring Diagrams 2 Pickups
At Amp T Dsl Modem Wiring Diagram
Honda Civic Ignition Switch Wiring Diagram
For King Quad 300 Wiring Diagram
Job Interview Thank You Sample
Dj Website Templates Free
Home Office Wiring
For Diagram Switch Manual Switch Transfer Generator Q048m60dsgp
Gift Certificate Template Word Document
Fuel Mann Vw Filter 1ko127400m
86 Toyotum Pickup Fuse Diagram
Free Printable House Rental Application Form
Free 3rd Grade Ela Worksheets
Gutter Installation Certification
Free Communication Plan Template
Free Printable Passport Stamps
1968 Ford F 250 Tail Light Wiring
Excel Gantt Chart Template Xls
Berkeley Extension Certificate
Free Html Template Creator
Business Plan Template Entrepreneur
Bootstrap Restaurant Website Templates Free Download
Back Diagram Of Kidney Location
Alice In Wonderland Printable Banner
Book Promotion Template