1999 Acura Rl Wiring Diagram

Acura Radio Wiring Diagram Wiring Diagram

Acura Radio Wiring Diagram Wiring Diagram

1999 Acura 3 5 Rl Service Repair Manual

1999 Acura 3 5 Rl Service Repair Manual

Repair Guides

Repair Guides

Repair Guides

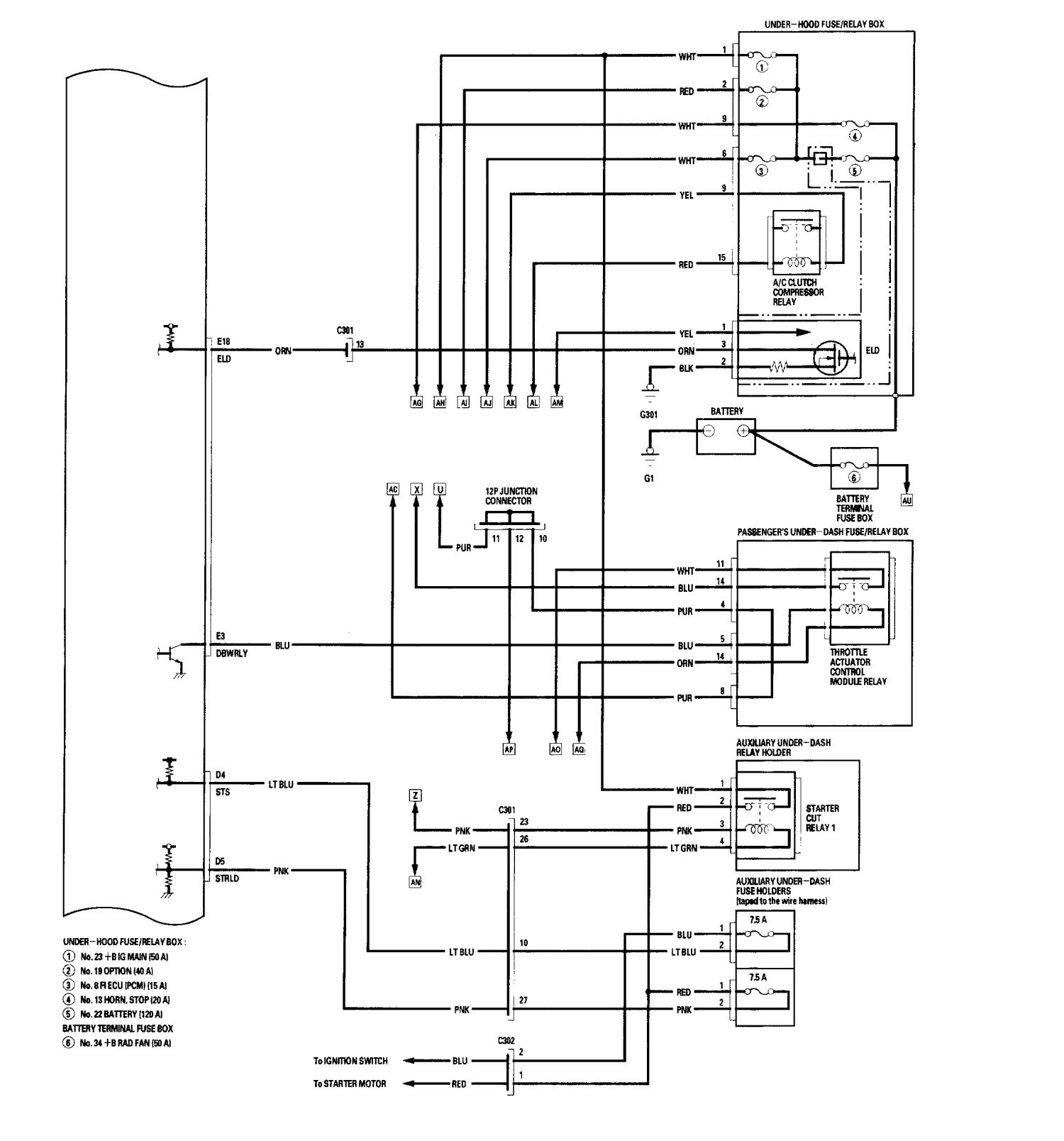
The specifications in this book will help you to understand connector configurations and locate identify harnesses circuits relays and grounds.

1999 acura rl wiring diagram. Whether your an expert installer or a novice enthusiast with a 1999 acura tl an automotive wiring diagram can save yourself time and headaches. Acura coupes and sedans 1994 2000 repair information. Acura rl electrical wiring diagrams ewd. Acura rl wiring diagram charging system part 1 acura rl wiring diagram charging system part 2 warning.

How to read interpret wiring diagrams. Terminal and harness assignments for individual connectors will vary depending on vehicle equipment level model and market. One of the most time consuming tasks with installing a car stereo car radio car speakers car amplifier car navigation or any mobile electronics is identifying the correct wires for a 1999 acura tl. Car radio wire diagram stereo wiring diagram gm radio wiring diagram.

One of the most time consuming tasks with installing a car stereo car radio car speakers car amplifier car navigation or any mobile electronics is identifying the correct wires for a read more read more. Acura rl wiring diagram fuse panel relay part 1 acura rl wiring diagram fuse panel relay part 2 acura rl wiring diagram fuse panel relay part 3 warning. Air bag supplemental restraint system. Whether your an expert installer or a novice enthusiast with a 1999 acura rl an automotive wiring diagram can save yourself time and headaches.

In many cases this type of book can be used in place of a wiring diagram and may have been by the factory. Please verify all wire colors and diagrams before applying any information. Your source for acura wire information wiring information technical help for your new or used vehicle acura technical wiring diagrams wire information wirediagram. Acura car radio stereo audio wiring diagram autoradio connector wire installation schematic schema esquema de conexiones stecker konektor connecteur cable shema car stereo harness wire speaker pinout connectors power how to install.

Acura tl 1999 2003 service manuals acura tl 2004 service manuals acura tsx 2004 service manuals acura vigor 1993 service manuals acura honda automotive transmission troubleshooter and reference. Acura car radio wiring diagrams. This book covers all 1996 1999 acura 35 rl models. Any user assumes the entire risk as to the accuracy and use of this information.

Terminal and harness assignments for individual connectors will vary depending on vehicle equipment level model and market.

1997 Acura Fuse Box Wiring Schematic Diagram

1997 Acura Fuse Box Wiring Schematic Diagram

1999 Acura Rl Fuse Box Wiring Diagram Yer Radio Ing Switch O

1999 Acura Rl Fuse Box Wiring Diagram Yer Radio Ing Switch O

Wiring Diagram For 2002 Acura Rl Wiring Schematic Diagram

Wiring Diagram For 2002 Acura Rl Wiring Schematic Diagram

Repair Guides

Repair Guides

1999 Acura Rl Wiring Diagram Wiring Diagram

1999 Acura Rl Wiring Diagram Wiring Diagram

Wrg 2228 2003 Acura Tl Fuse Box

Wrg 2228 2003 Acura Tl Fuse Box

1997 Acura Rl Fuse Box Diagram Swift Electrical Schemes

1997 Acura Rl Fuse Box Diagram Swift Electrical Schemes

1999 Acura Rl Fuse Box Wiring Diagram Yer Radio Ing Switch O

1999 Acura Rl Fuse Box Wiring Diagram Yer Radio Ing Switch O

How To 1999 2003 Acura Tl Radio Wiring With Lots Of Foul Language Hahaha

How To 1999 2003 Acura Tl Radio Wiring With Lots Of Foul Language Hahaha

Details About 1999 Acura 3 5 Rl Electrical Troubleshooting Manual Wiring Diagrams 3 5rl Oem

Details About 1999 Acura 3 5 Rl Electrical Troubleshooting Manual Wiring Diagrams 3 5rl Oem

1999 Acura 3 5 Rl Service Repair Manual

1999 Acura 3 5 Rl Service Repair Manual

Wiring Diagram For 2002 Acura Rl Wiring Schematic Diagram

Wiring Diagram For 2002 Acura Rl Wiring Schematic Diagram

1999 Acura Rl Fuse Box Wiring Diagram Yer Radio Ing Switch O

1999 Acura Rl Fuse Box Wiring Diagram Yer Radio Ing Switch O

1997 Acura Fuse Box Wiring Schematic Diagram

1997 Acura Fuse Box Wiring Schematic Diagram

1999 Acura 3 5 Rl Service Repair Manual

1999 Acura 3 5 Rl Service Repair Manual

2001 Acura Rl Wiring Diagrams Wiring Diagram

2001 Acura Rl Wiring Diagrams Wiring Diagram

1999 Acura Rl Vin Check Specs Recalls Autodetective

1999 Acura Rl Vin Check Specs Recalls Autodetective

Repair Guides

Repair Guides

Source : pinterest.com

Popular Posts